Strong structure, no pulling or pulling
The high-strength structural design can withstand high tensile forces.

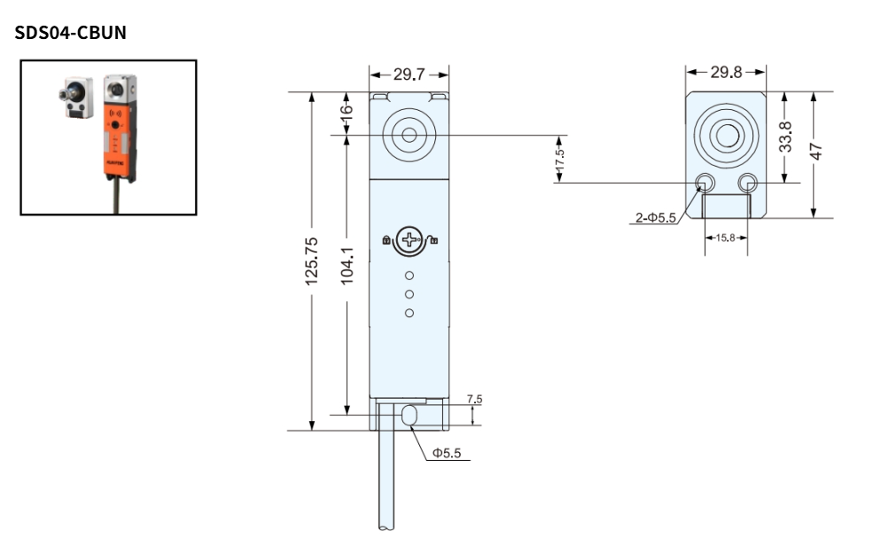
Compact design
Small size allows for flexible and easy installation.
Clear and visible indicator light
Emphasis on the door’s opening and closing status.

Utilizes advanced core technology
Equipped with RFID detection technology, offering both unique and universal encoding options.


Compliant with ISO 13849-1 (Category 4/Ple) IEC/EN 60947-5-3
Certification: CE
Locking method: Mechanical lock/Electromagnetic lock
Safety output: NPN*2/PNP*2
Lock-unlock
Unlock-lock
100ms (independent operation)
Lock holding force Fzh ≥ 2000N
Lock bolt insertion deviation ≤ 2mm
Mechanical durability: > 1 million cycles (door operation speed 1m/s)
Operating frequency: 1Hz
Minimum revolving door radius ≥ 220mm
Manual release: Front, back
Cascade connection: Up to 20 units
Output type: Transistor output x 2
Maximum load current ≤ 200mA
Residual voltage (ON): < 2.5V @ 200mA
Off voltage ≤ 2V @ 5m cable length
Leakage current ≤ 0.5mA
Maximum load capacity: 2.2uF
Load connection resistance ≤ 2.5Ω
Output type: Transistor output
Number of outputs 1
Maximum load current: 50mA
Residual voltage (when ON): ≤2.5V@50mA
Safety input: 1.5mA*2
Reset/EDM input: Approximately 10mA*1
Lock control input: Approximately 10mA*1
OSSD action switching input: Approximately 10mA*1
Operating voltage: 24VDC ±15%
Rated power: 4.6W (no-load)
Protections: Safety circuit breaker, current limit, overload protection, overvoltage protection, overtemperature protection
Stop and restart, reverse polarity protection, transient noise protection, and fault pulse protection
Enclosure rating: IP65
Operating temperature: -20°C to 55°C (non-freezing); Storage temperature: -25°C to 70°C (non-freezing)
Operating humidity: 5% to 95% RH
Vibration resistance: 10 to 55Hz, 2.0mm double amplitude, 5 minutes each in the X, Y, and Z directions (IEC60947-5-3)
Shock resistance: 10 to 55Hz, 2.0mm double amplitude, 5 minutes each in the X, Y, and Z directions (IEC60947-5-3) 30g, 6 times each in X, Y, and Z directions (IEC60947-5-3)
Material: Nylon/Zinc Alloy/Stainless Steel









