
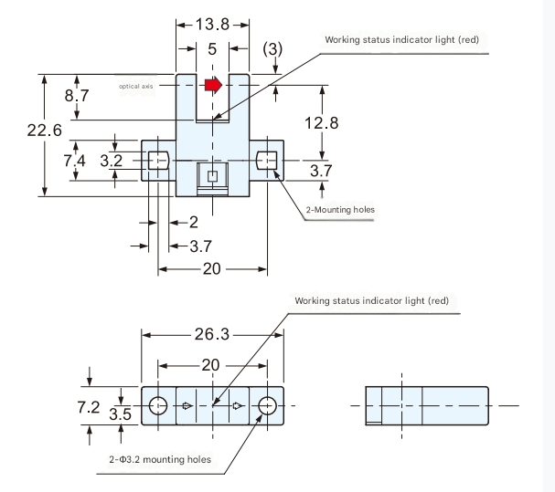
A wide variety of models available
With four different shapes available, you can choose the model that best suits your installation requirements.

Easy Connection
This connector eliminates the traditional hassles of soldering and insulation, making connection quick and easy.

High-speed response
High-speed response with a response frequency of 2 kHz





